超静音电机技术参数
超静音电机的驱动噪音可以控制,具体程度可以根据客户需求定制驱动噪音的;超静音电机属于小功率微型减速电机,功率在50W以下,电压在24V以下,直径规格在38mm以下,主要结构由驱动电机、齿轮箱(减速器)组装而成,具备连接、驱动、减速、提升扭矩功能;超静音电机技术参数通常采用定制技术参数服务,例如驱动电机的结构类型、输出转速、功率、电压、直径规格等技术参数,齿轮箱减速驱动比、输出扭矩、回转精度、驱动噪音、齿轮箱结构、空载转速等技术参数是定制开发而成,BG大游集团机电股份有限公司专注于研发、设计、制造超静音电机齿轮箱服务,提供定制开发服务。
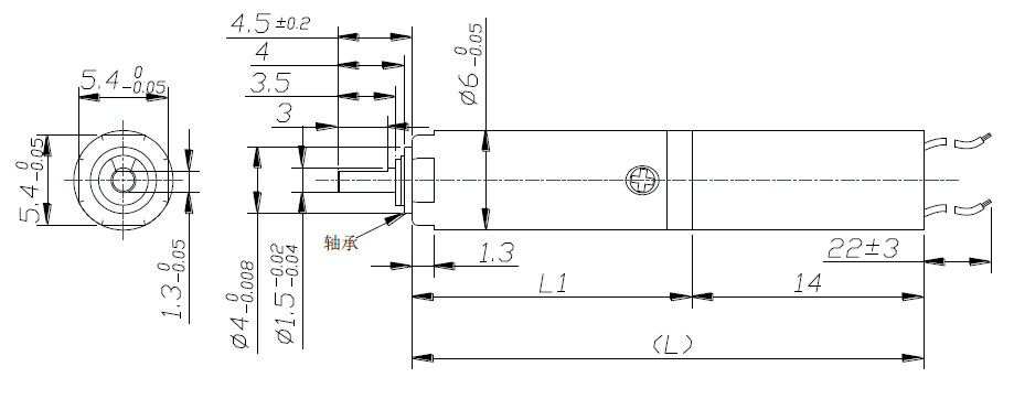
超静音电机技术参数:
齿轮箱类型:行星齿轮箱
齿轮材质:金属、粉末冶金
产品型号:ZWMD006006
产品规格:Φ6MM产品
电 压:3-24V
空载转速:11-3824 rpm(可定制)
空载电流:30-40 mA (可定制)
负载转速:8-3229 rpm(可定制)
负载电流:100 mA (可定制)
速比:23.04-1707.9(可定制)
驱动噪音:25DB(可定制)
产品特点:噪音低、规格小、精度、、寿命长
驱动电机:直流电机、空心杯电机、步进电机
产品用途:应用在智能电子门锁、指纹锁、手机摄像头、保险柜电子锁、电子产品等;

生产厂家
深圳市BG大游集团机电股份有限公司是一家研发、生产齿轮驱动机构产品的企业,为客户提供驱动方案设计、零件模具设计和制造、零件生产和集成装配的定制开发服务。













