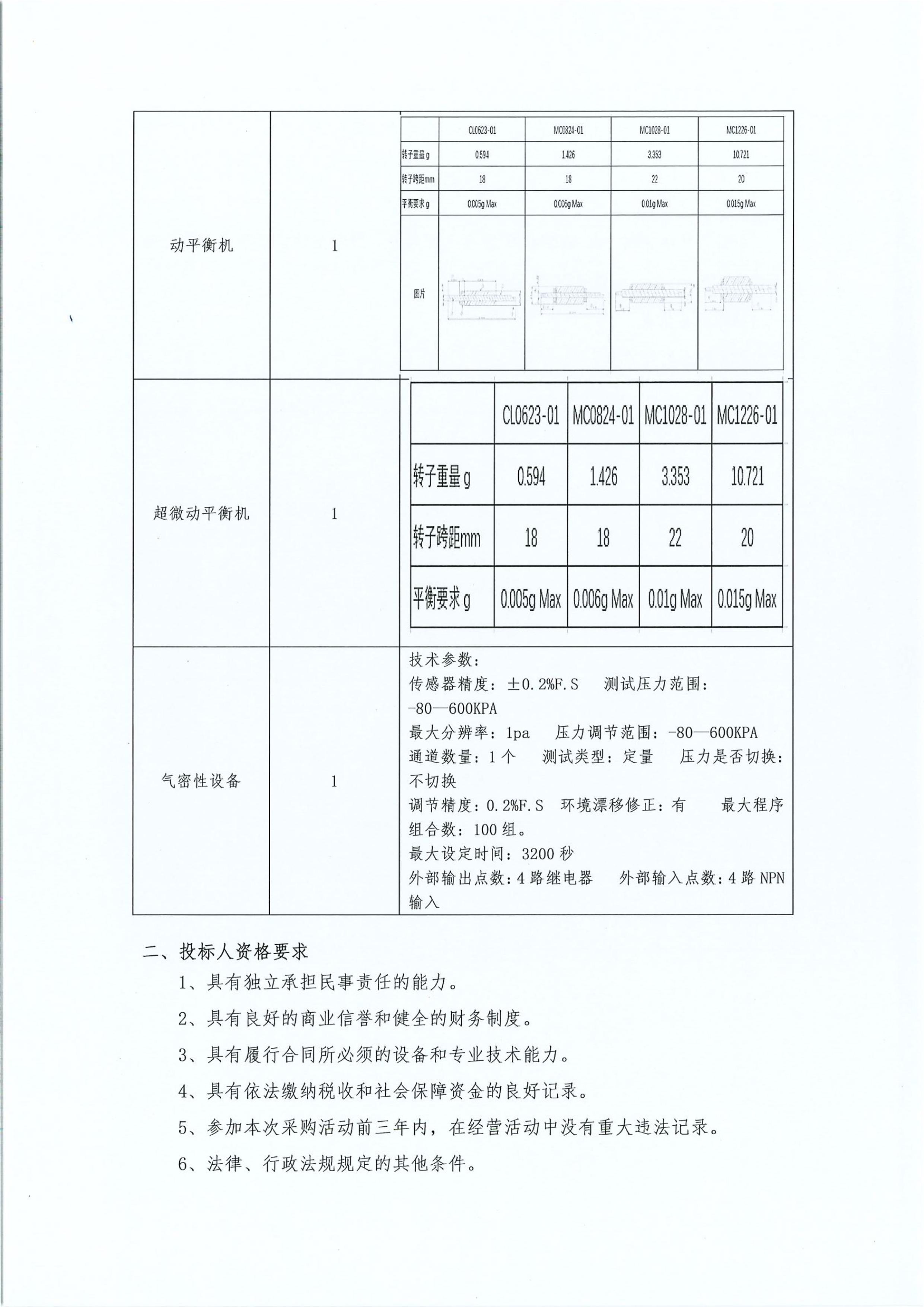
BG大游集团机电设备采购招标公告 2024-03-16 03:04 相关推荐 2021年宝博会展台设计方案评审结果 2021年上海国际智能家居展台设计方案评审结果 2021中国国际信息展览会展台设计方案评审结果 第十九届广州汽车展览会展台设计方案评审结果 建设“深圳市智能机器人微型驱动控制系统工程研究中心”设备采购公告 BG大游集团机电2024年2月5日设备采购公告 上一篇 BG大游集团机电2024年2月5日设备采购公告 下一篇 东莞市BG大游集团机电有限公司自动化设备采购公告 推荐方案 电动自行车电子避震器微型齿轮箱解决方案 医疗胰岛素注射笔驱动系统应用 汽车空调出风口调节执行器应用 割草机器人电动滚筒执行器应用 电动夹爪驱动系统应用 最新动态 喜讯|BG大游集团机电荣膺第八届广东省政府质量奖 二十四载深耕微型驱动,BG大游集团机电以创新绘就微型驱动新蓝图 “聚力价值·兆就威来”BG大游集团机电2025年迎新春暨颁奖盛典圆满结束 BG大游集团机电荣获“2024深圳机器人年度评选”双奖,赋能行业技术创新 BG大游集团机电灵巧手亮相CES 2025,开启机器人技术新纪元 在线留言 MESSAGES